This page is designed to help you get the best out of your Marshall JTM-45 and Bluesbreaker reissue guitar amplifiers. It is a collaborative Internet effort---see credits below.
Ted Breaux: The man who has been nominated "President of the JTM-45 RI society," Ted is our expert source for technical information. Without Ted, this page wouldn't have been possible.
Skip Wiese: Skip is responsible for the original schematics. He also sent in some documentation on the JTM-45 mods which he had saved prior to the creation of this page.
Lord Valve: He's responsible for the "heads up" on grid swamp resistors below. He's also the tube supplier for the author of this page---very highly recommended.
Mike Philpott: Mike had quite a few saved discussions on the JTM-45/BB RI mods. From those discussions, the author was able to fill in some of the details on the purpose and effect of the mods.
Brian K. Wallace: Brian made the "readable" version of the JTM-45 schematic. Thanks, Brian!
A quick overview describing how to convert the reissues to original specs.
The Sovtek 5881s that come in these amps are cheap and sound like it. Change ALL tubes. Get a Sovtek GZ34, Valve Art or GT KT66s, and Ei Gold preamp tubes. Rebias the KT66s to around 40ma at idle. Do not get Sovtek or "Golden Dragon" KT66s, as these are not KT66s and don't sound like KT66s.
Change the filter cap near the GZ34 to a 32X32uF. The other one at the other end of the chassis should be changed to a 16X16uF. These two steps will make a big difference and change the character of the amp.
To go further, do the following.
Make small parts changes according to the schematic and Ken Bran's handwritten notes which are found on the first schematics page in Doyle's Marshall Book.
Change (C3) 330uF at V1 cathode to 250uF. A low voltage (25v) electrolytic is fine.
Change mix resistors (R16, R18) from 470k to 270k.
Change Ch I mix resistor bypass cap (C6) from 220pF to 500--550 pF.
The 100pF bright cap on Ch I volume pot can be kept or it can be removed if a thicker, blusier sound is sought. Earlier Bluesbreaker amps had it, later ones did not.
1k cathode resistor R15 on V2 was originally 820ohms.
The .1uF cap at the Presence pot originally was connected from the pot wiper (center terminal) to ground.
Change the output tranny to a Mercury Magnetics or Obsolete Electronics JTM45 type. Their repro JTM45 trannies sounds spot-on. Mercury Magnetics makes a repro of the Drake tranny used in '66 models, and an RS tranny used in the early amps. Obsolete Electronics makes the RS repro only. Either makes the amp sounds smoother and has audibly better tonal dimension.
If your amp is a repro Bluesbreaker, strongly consider a speaker upgrade. Celestion alnico blues sound like a million $, but the Weber P12B "Blue Dog" is almost as nice, costs less, and handles more power. Unlike Greenbacks (old or new) both of these speakers sound fab in an open back cabinet, and give that mid-60s Brit rock sound. Take your pick. After making these changes, when you play it, you'll find it hard to believe it is the same amp.
Lord Valve's field reports indicate that using the Valve Arts (Chinese) KT-66 tubes in the JTM-45 (reissues and originals) can be problematic. The amp design is prone to parasitic oscillation that may kill your tube. The solution: put 5.6K swamp resistors in series with pin 5 on each power tube socket. First unsolder the wire connected to pin 5, then solder the 5.6K resistor directly to the pin socket. Re-connect the wire to the other end of the resistor. The goal is to make the leads on the resistor as short as possible.
Lord Valve also suggests putting 1K/5W screen resistors across pins 6 and 4. Here pin 6 is used as a tie point for the screen supply. These may already be present on a factory JTM-45 or Bluesbreaker reissue.
When taking the reissues off standby, a loud "bang" is often heard. This can be remedied by putting a 0.1uF/600V capacitor across the standby switch. Decreasing the main filter capacitors to the "original" value of 32+32uF is also suggested.
A random collection of mods, unsorted as of yet. Some elaborations on previously mentioned mods.
Power Tubes: The reissues come stock with Sovtek 5881 power tubes. Virtually everyone agrees that re-tubing is the first modification you should make to the reissue. Generally, the KT-66 tubes are recommended---the originals used these and they sound great. Others have reported success using EL34 tubes. EL34 won't give the most "authentic" (i.e. original) JTM-45 tone, but it may be a preferable sound depending on taste. Remember, you always have to rebias after changing the power tubes. Also note that KT-66 are very large tubes (physically), and the Bluesbreaker Reissue may require some creativity to accommodate these large tubes.
After installing KT-66 power tubes, rebias to around 40 ma at idle (i.e. 70% plate dissipation).
Suggested tubes:
Preamp Tubes (12ax7/ecc83): Note you can play around with different preamp tube configurations. The "first" preamp tube socket (the one farthest from the power tubes) is the most important tone-wise. For example, if you happen to have an actual NOS (new old stock) tube laying around, you might want to put it in the first preamp tube socket, and fill the rest with Ei Gold or possibly JJ ECC83 tubes.
Rectifier Tube: Sovtek GZ34 seems to be the best one available.
Regardless of what kind of speakers you decide on, you'll probably want them to be Alnico. (Alnico is an alloy of aluminum, nickel and cobolt.) The alternative is ceramic speakers, but virtually everyone agrees that Alnico is best for the JTM-45/Bluesbreaker.
12" Speakers. Many folks believe that the stock Bluesbreaker RI speakers, Celestion Greenback Reissues, do not work well in open back cabinets. Apparently, the speakers do not have enough magnet mass, which makes them sound mushy.
Celestion Alnico Blues. If you can afford these, they are probably the way to go.
Weber Alnico "Blue Dogs" (P12B). A great speaker at a more realistic price.
Replacing the big filter capacitors will make the amp less "boomy" and give it better clarity. The filter capacitors are the large blue cans that live on top of the chassis, with the tubes and transformers. The stock reissues have two 50x50uF capacitors. The standard modification is to change the power amp filter capacitor (the one closest to the GZ34 rectifier tube) to a 32x32uF/600V LCR capacitor. The other can (the preamp filter capacitors) should be changed to a 16x16uF/450V LCR capacitor. This also puts less stress on the rectifier tube, which should reduce the risk of failure.
A note on these big capacitors: in case it's not immediately obvious, the capacitor values given above are in YYxYY format. These can capacitors are actually two capacitors with a common negative terminal. That in mind, it may be easier to find two 32uF/600V capacitors, connect the negative terminal, and continue as described above. The same holds for the preamp filter capacitors: it is permissible to use two 16uF/450V capacitors with a common negative terminal instead of the single 16x16uF/450 "can" capacitor (made by LCR or Sovtek). Either way you do it, the electrical result will be the same. The tonal result should be the same. Note however, some people want to retain the aesthetics of the JTM-45 chassis, and keep those big capacitors sitting on top.
Install a Mercury Magnetics or Obsolete Electronics JTM-45 output transformer. This is usually considered one of the more sound-changing modifications. It really helps give the RI a more accurate JTM-45 sound---it gives the sound the dimension of the originals. Comparing the replacement tranny to the old one is like flipping the mono-stereo switch on an old stereo. These fine repro output transformers are virtually identical to the original JTM-45 output transformers.
Replacing all carbon film plate resistors in with carbon composition will give a slightly "richer" sound. Carbon composition resistors will probably increase background noise. The background noise probably won't be as noticeable if the amp will mostly be used at higher volumes (i.e. the music will drown out the noise). On the other hand, the carbon composition resistors will give the amp more of a "vintage" flavor.
Replace all capacitors with Sprague Orange Drop polypropylene caps or Mallory 150 capacitors. These small parts modifications should further increase the clarity of the amp. Capacitors in the pF range should be of the silver mica variety, or ceramic disks can be used for a little extra "edge".
Change (C3) 330uF at V1 cathode to 250uF---the correct value cap seems to make the amp perhaps slightly less muddy.
Change mix resistors (R16, R18) from 470k to 270k. This seems to give both channels perhaps slightly more gain.
Change Ch I mix resistor bypass cap (C6) from 220pF to 500--550 pF. The 100pF bright cap on Ch I volume pot can be kept or removed. Try disconnecting one leg of the cap and playing the amp. Then reattach it and play it again. Leave it the way you prefer.
1k cathode resistor R15 on V2 was originally 820ohms. The .1uF cap at the Presence pot originally was connected from the pot wiper (center terminal) to ground. I have not examined the audible difference of these two mods. They are so easy to correct to match the original circuit, that it only makes sense to change them while you are in there.
The standard JTM reissue output transformer has a primary of about 6.5k, which is about 65% higher than your typical two-tube Marshall iron in an EL34 amp (e.g. 50w plexi). If you want more of an aggressive sound, set the selector one notch higher than the load, i.e. set it at 16-ohms for an 8-ohm cabinet, which tends to make the tone much more Marshally. It has been said that using the impedance selector in this manner will make the amp louder and it will sound less "constricted".
Plexi Palace Vintage amp service, repair, and sales. Great amp bulletin board---with lots of relevant JTM-45 and Bluesbreaker discussion. Also offers parts and accessories.
Alt.guitar.amps Web Pages FAQs, technical information, business listings, and lots of other useful information.
Hoffman Amplifiers Tube amp parts, building supplies. Now with a tech forum. They also sell a drop-in replacement plexi circuit board for Marshall reissue amps.
Aiken Amplification Amps and amp parts. Very information technical information section, with some FAQs.
Obsolete Electronics This site's goals include providing general musical equipment information, with an emphasis on tube guitar amps, resources for those servicing musical equipment, and sales of custom or hard-to-find items. Of particular interest to the JTM-45 and Bluesbreaker community is this link.
Mercury Magnetics Various high-quality parts and accessories. Many folks who perform the JTM-45/Bluesbreaker transformer mod purchase their transformers from Mercury Magnetics. The relevant transformer page can be found here
New Sensor The website says, "A variety of products for vacuum tube enthusiasts, guitar players, and repair technicians." They manufacture tubes and effects. They also have a line of capacitors, speakers, technician tools, transformers, etc.
Antique Electronics Supply Vacuum tubes, books, transformers, capacitors, resistors, and parts.
WeberVST Manufacturers of vintage style loudspeakers and other products for the vintage equipment enthusiast.
Official Marshall Website Some relevant information here (and this site wouldn't be complete without it). Find out about other Marshall products, etc.
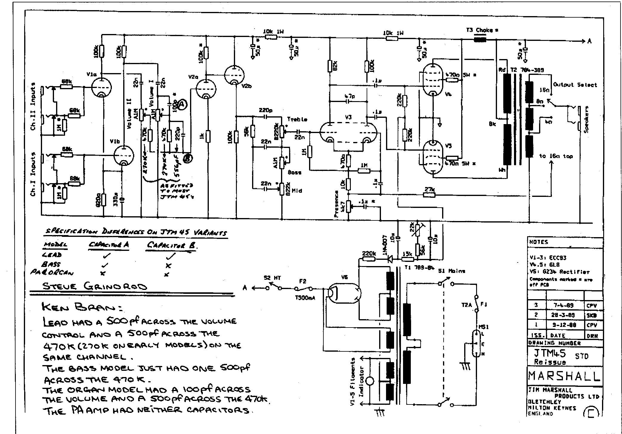
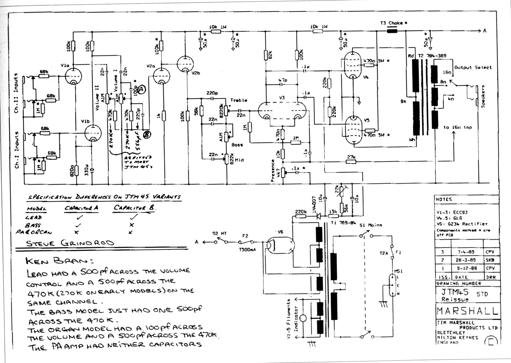
A schematic of the Marshall JTM-45 reissue head.

Here you can compare your reissue to the real thing (or verify
the correctness of your real thing).

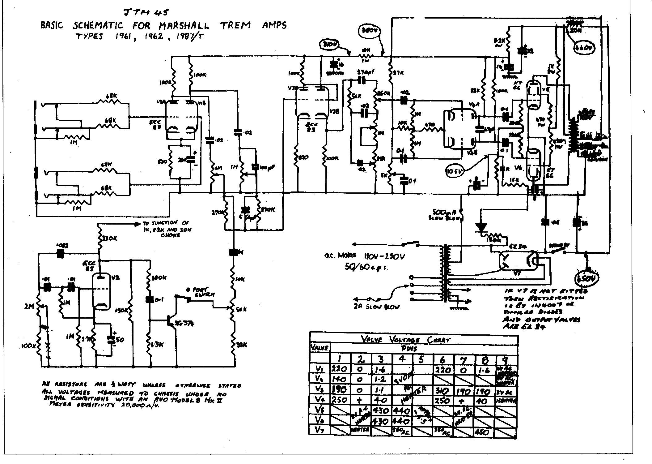
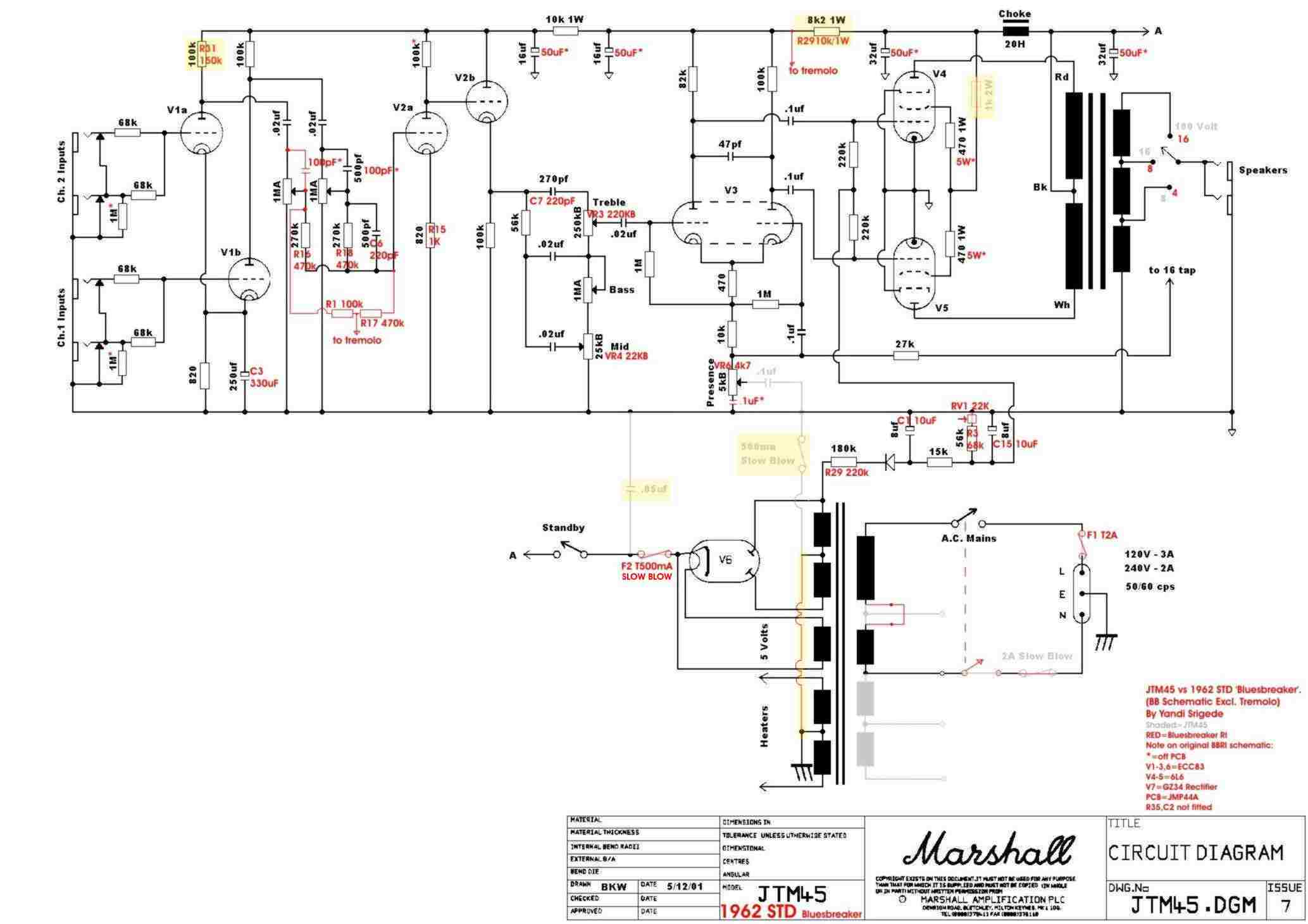
A schematic of the Marshall '62 Bluesbreaker reissue combo amp.
As recent reissues go, the main circuit difference between the
JTM-45 head and the Bluesbreaker combo, the latter includes
tremolo.

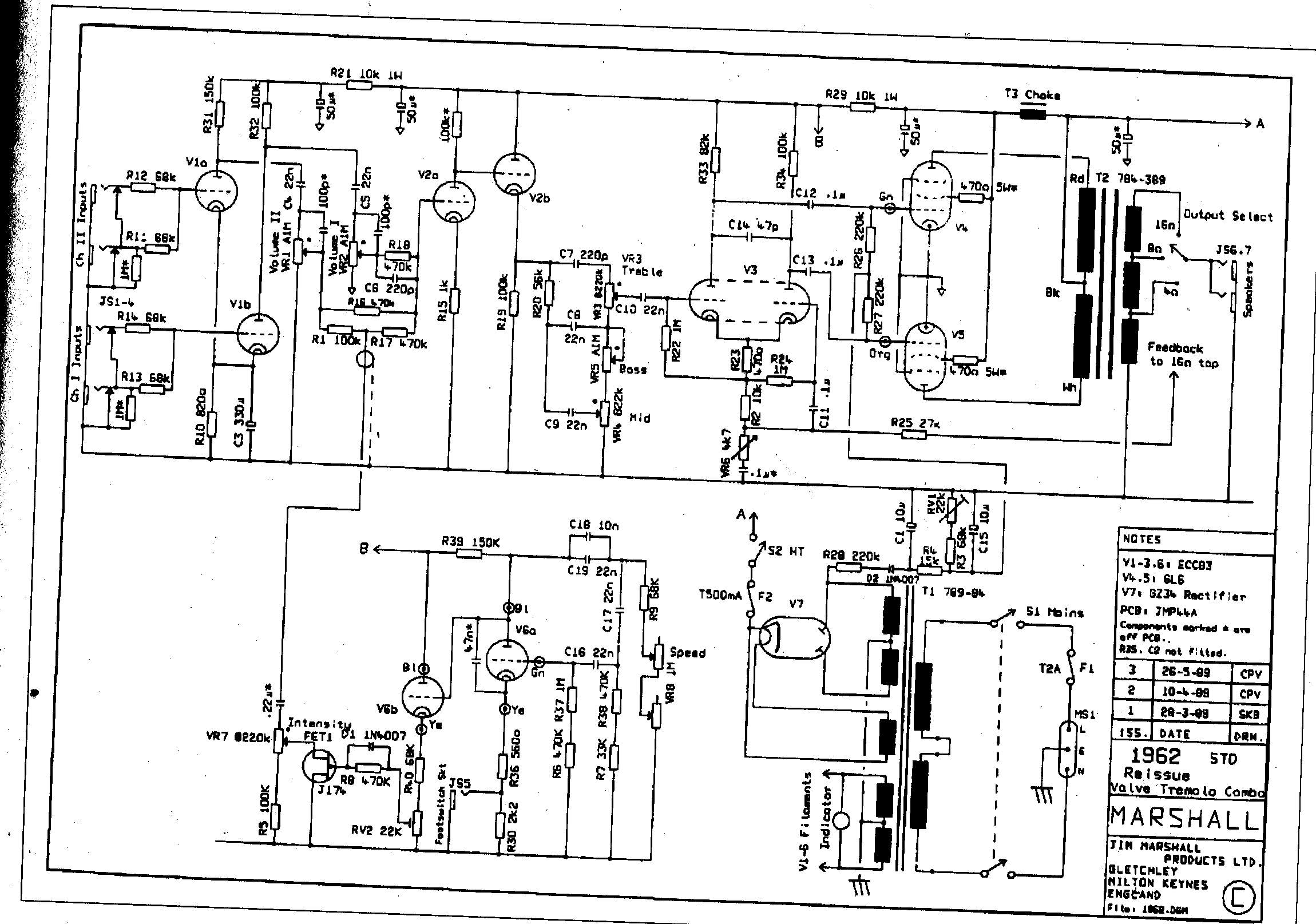
This is a much more readable schematic. It was created by Brian
Wallace for the Vintage Amps Bulletin Board at Plexi Palace.

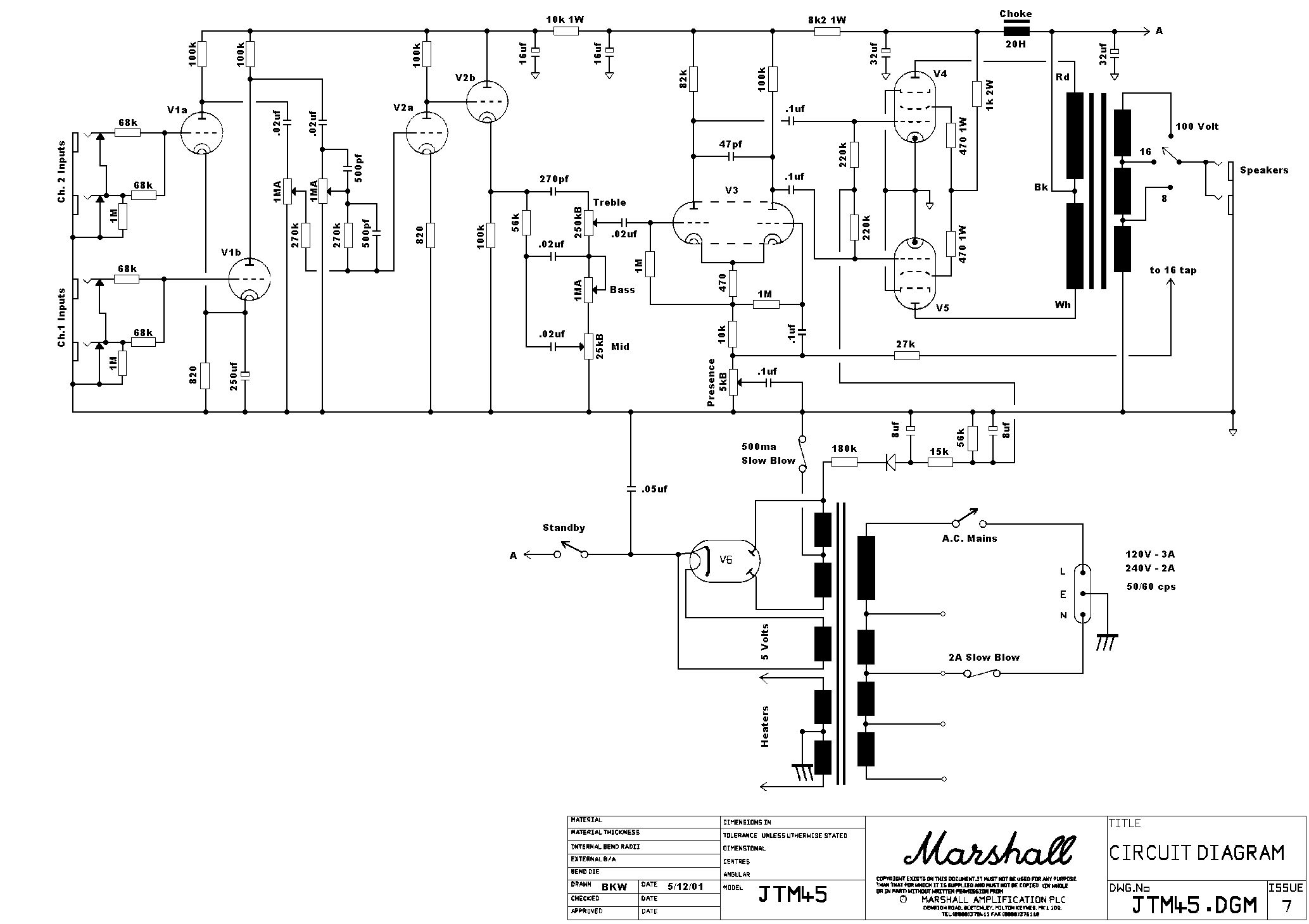
A nice scan of the schematic that's in Michael Doyle's
The History of Marshall (ISBN: 0793525098). Sent in by Pete
Galati.

Sent in by Ake Ong.
